一个好的锂电池保护板BMS的标准有两个,一个是能保护锂电池的安全,二个是能延长锂电池的寿命。
锂电池保护板BMS为什么要均衡呢?
因为如果不均衡,电池就会有安全隐患,因为电池里面的各个电芯电压不一样,那么电阻大的电芯就会充电比较快就饱和了,也最快时间放完电的,长期下去这电芯就容易坏的,那么就给整个电池带来安全问题。当然也会对电池寿命有非常严重的打击。
为什么会出现电芯的电压不一样呢?
现在设计的电芯,一般都是用计算机程序来完成了,电压差相对以前小了很多,但也还有很多客观原因导致电池各个电芯的电压不一样的。
因为电池都是移动的,只要是动力的,就会受到速度,温度等等外界影响,也会受到外界的挤压,碰撞等原因影响的。
所以电池的电芯就算出厂的时候电压相差不大,但随着使用的时间越长,也会多多少少出现一些电压相差越来越大的问题。
目前均衡有两种方式,一个是主动均衡,一个是被动均衡
主动均衡,怎么样理解呢?
比如一个电池组里的电芯,有一个电压较高,有一些电压较低,那么把过多的电压转移给电压过低的电芯,这样达到一个均衡,这一种均衡是无伤均衡的,因为都是在一个电池组里流动电压的。也叫做无损均衡。
被动均衡呢,是把高电压直接减掉,达到均衡的一种方式,这样的均衡,就是把多余的电压消耗掉,这是一个有损均衡。
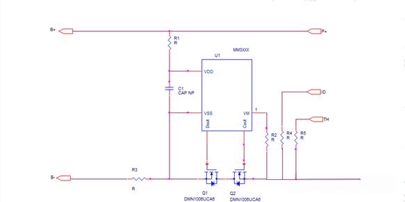
均衡的方法,请看下图就非常清楚了。

至于保护板怎么样选择均衡方式呢?
目前市场上大部分的均衡方式都是被动均衡的,被动均衡相对主动均衡来说,价格比较便宜。









